全国服务热线:
+86-372-2595077/2595078/2595088
用途:
本系列电磁铁适用于单相桥式全波整流的直流电源,电压至220V的控制电路中,作为液压电磁换向阀的动力元件。可配套于德国力士乐 (REXROTH) 六、十通径螺纹联结电磁换向阀。
正常工作条件
● 可任意方向安装。
● 使用环境中应无足以腐蚀金属和破坏绝缘的气体和尘埃。否则,可能影响产品寿命。
● 电磁铁适合长期工作制、断续周期工作制。
● 电源电压的合理波动范围为85%-110% (特殊要求可订货时提出)。
● 外壳防护等级为IP65。
主要技术参数
型号 | MFZ12-25YC | MFZ12-37YC | MFZ12-90YC |
额定电压 (V) | 1224110220 | 1224110220 | 1224110220 |
额定吸力 (N) | ≥25 | ≥37 | ≥90 |
额定行程 (mm) | 2.8 | 2.8 | 4 |
全行程 (mm) | ≥6.1 | ≥6.1 | ≥9 |
消耗功率 (W) | ≤26 | ≤30 | ≤36 |
承受静态油压 (MPa) | 21 | 21 | 21 |
操作频率 (T/h) | 12000 | 12000 | 12000 |
订货代号
阀用电磁铁 | 直流 | 设计序号 | 额定吸力(N) | 湿式 |
MF | Z | 12 | 25/37/90 | YC |
稳态行程-力特性曲线

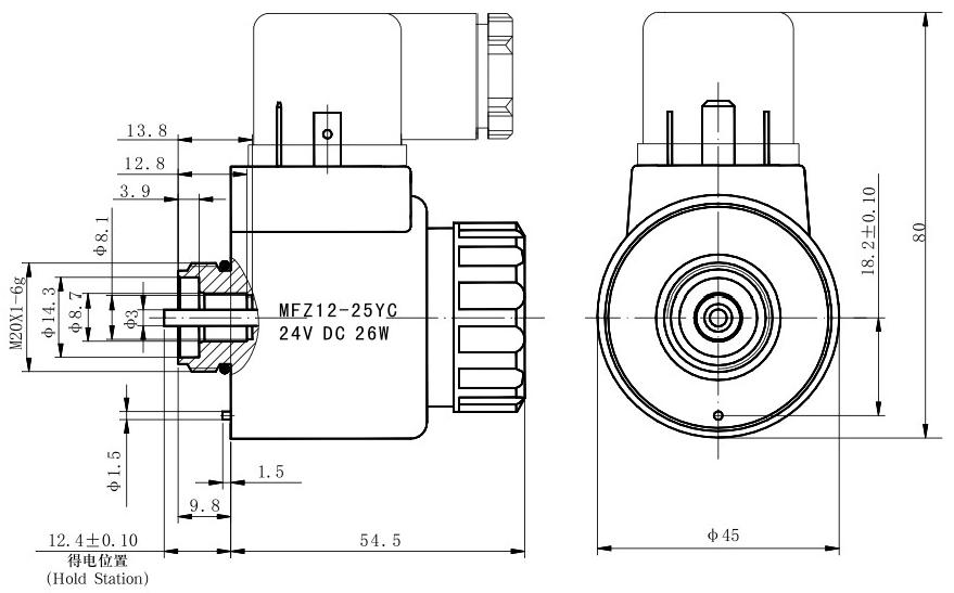
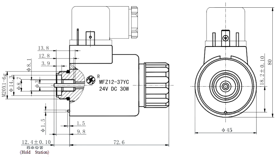
外形及安装尺寸
MFZ12-25YC

MFZ12-37YC

MFZ12-90YC

使用注意事项
● 电磁铁采用符合ISO4400标准的插座。有带指示灯、不带指示灯两种规格,您可以根据需要进行选择。带指示灯插座的电压规格必须与电磁铁本体电压规格相符。
● 电磁铁的手动推杆用于在调试时或紧急情况下,进行手动控制。但当系统背压较高,调节困难时,请使用十字螺丝刀缓推手动推杆,不宜使用冲击力,以免破坏手动推杆和导向内孔表面,造成电磁铁漏油或不能复位。
● 当双向使用电磁铁时,一定要保证两个电磁铁不能同时通电,以免电磁阀不能正常工作。
● 电气控制系统与电磁铁连接部分之间应设有过流保护装置,以免在非正常情况下,烧毁电磁铁及您的电控元件。
● 当电源为交流时,可以选用MFB12-YC交流本整型电磁铁,其性能和MFZ12-YC完全相同。
样本说明
● 如顾客有不同的需要,在电磁铁性能不变的情况下,电磁铁与阀体的联结尺寸、推杆伸出长度及工作电源电压可以根据要求调整。
● 特性曲线仅供参考。
● 主要特性参数均为实验室条件下获得。本公司保留修改参数的权力。
中文(简体)
English
Русский
Espa?ol