全国服务热线:
+86-372-2595077/2595078/2595088
用途:
本产品为插装型比例电磁铁,具有体积小、质量轻、结构紧凑的优点,其线圈防护等级可达到IP67,广泛应用于挖掘机、推土机等工程机械。
主要技术参数
型号 | GC35-2-A(55)24VDC | GC35-2-A(55)12VDC |
额定电流 (A) | 0.7 | 1.6 |
额定电阻 (Ω) | 15 | 3.5 |
额定吸力 (N) | ≥24.5 | ≥24.5 |
额定行程 (mm) | 1.8 | 1.8 |
全行程 (mm) | ≥2.4 | ≥2.4 |
力滞环 (%) | ≤4 | ≤4 |
承受静油压 (Mpa) | 21 | 21 |
工作油温 (℃) | -20~+70 | -20~+70 |
外壳防护等级 | IP67 | IP67 |
稳态行程-力特性和电流-力特性曲线

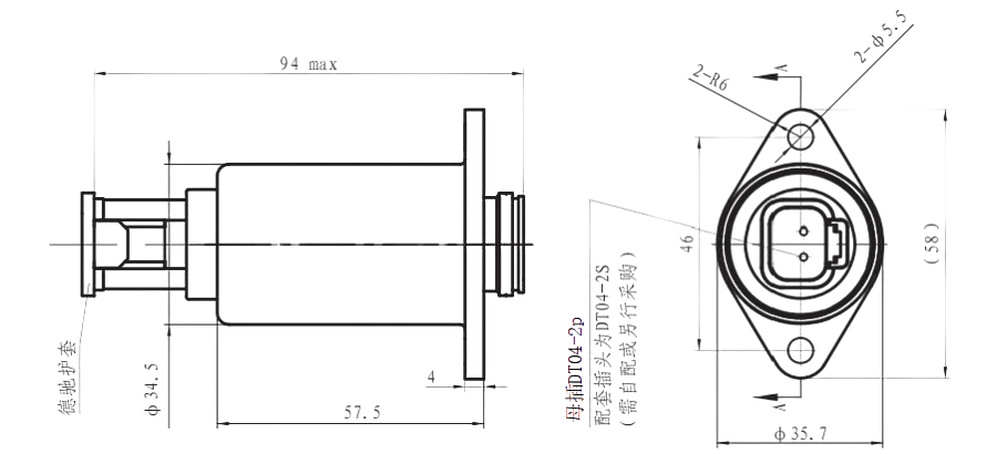
外形及安装尺寸

A-A旋转局部(2:1)

中文(简体)
English
Русский
Espa?ol